GEDA Transportbühne 300 Z/ZP
Produktinformationen:
- 300 kg Tragkraft / 3 Personen (230 V)
- 500 kg Tragkraft / 3 Personen (400 V)
- 50 m Förderhöhe
- 9 m / min & 12 m / min Geschwindigkeit
- 230 V & 400 V Stromstärke verfügbar
- 2 in 1 – Materialaufzug & Transportbühne
- GEDA UNI-X-MAST System
- Klappbare Arbeitsbühne
- Innovativer Flachkabeltopf
- Automatische Schmiereinrichtung
- Abrisssicherung für Flachkabel
- Platzwunder – Für den Einsatz auf Baustellen
Einfach genial:
Die „Kleinste“ unter den GEDA Transportbühnen überzeugt durch eine Reihe von Vorteilen. In zusammengeklapptem Zustand ist der GEDA 300 Z/ZP gerade einmal 0,85 m breit und ermöglicht damit den problemlosen Transport zur Baustelle – selbst durch engste Zufahrten. Mit Hilfe der praktischen Stapleraufnahme kann das komplette Gerät mühelos mittels Hubwagen oder Gabelstapler befördert werden.
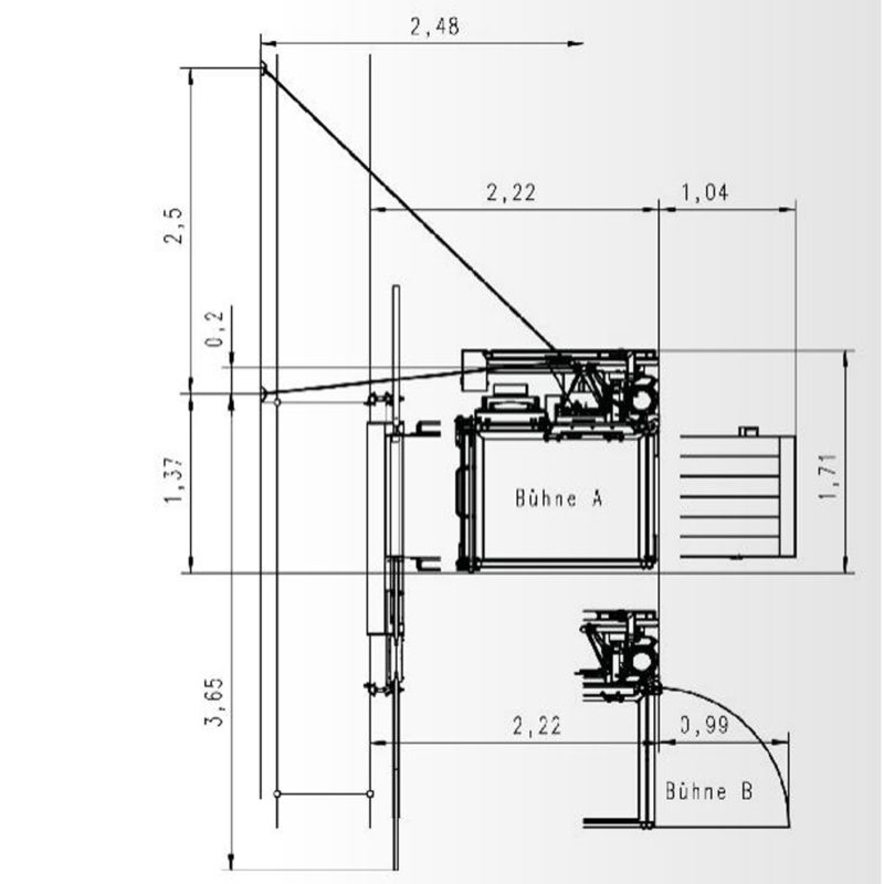
Auf der Baustelle angekommen, erweist sich der GEDA 300 Z/ZP erneut als wahres Raumwunder, denn seine kompakte 1,35 x 0,95 m große Bühne und der Flachkabeltopf finden selbst auf dem schmalsten Bürgersteig und im verwinkeltsten Hinterhof Platz.
Dank zwei separater Steuerungen wird aus einem reinen Materialaufzug im Handumdrehen eine Transportbühne, die auch für die Beförderung von bis zu drei Personen zugelassen ist.
Das Gerät ist neben einer 400 Volt-Ausführung auch in einer 230 Volt-Variante lieferbar. Das 230 Volt-Gerät einfach an die vorhandene Stromversorgung angesteckt, muss kein separater Starkstromanschluss beantragt werden - gerade bei der Altbausanierung oftmals ein entscheidender Vorteil.
















